RAIL08020A1C AOI光源
AOI光源采用RGB三色高亮度LED阵列而成,以不同角度不同颜色照射物体,突出物体的三维信息。

视觉光源、光源控制器、工业相机、工业读码器等全栈多元产品布局
AOI光源采用RGB三色高亮度LED阵列而成,以不同角度不同颜色照射物体,突出物体的三维信息。
| 产品型号 | RAIL120-A10C |
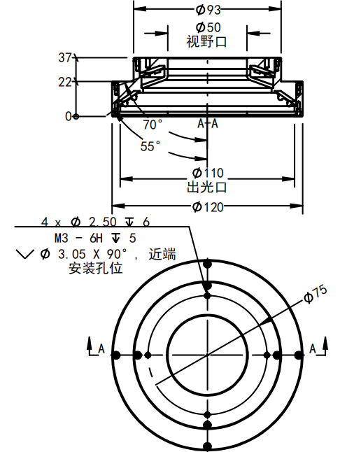
| 产品尺寸 | Φ120mm x 37mm |
| 产品颜色 | RGB多色 |
| 视野口 | Φ50mm |
| 发光面 | Φ110mm |
| 层数 | 2 |
| 电压 | 24V |
| 接口 | SMR-03V-B |
| 配套控制器 | 24V控制器,可搭配频闪控制器 |
| 重量 | kg |
| 标配线缆 | 0.5米 |
| 使用寿命(小时) | 30000-50000 |
| 使用环境(室内) | 温度:0-40℃ |
| 湿度:20-85%非凝结 |
*波长及色温
白光:6000-6500k
红光:620-630nm
蓝光:455-460nm
绿光:520-525nm
红外:850nm、940nm
紫外:365-370nm、395-400nm
紫外和红外光源可根据客户要求定制,更多尺寸和颜色可咨询我司
*使用环境:温度0-40℃,湿度20-85%(非凝结)
*使用寿命:30000-50000小时
*服务:1年质保,免费技术支持,免费出借样品
安装尺寸图
